1103C9 PEUGEOT:
información, compatibilidad y equivalencias
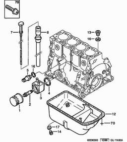
Radiador de aceite debajo del filtro
- Código:
- Marca:
- País de la marca:
- Tipo de pieza:
- Valoración de la pieza:
Características
- Código
- 1103C9
- Marca
- PEUGEOT
- País de la marca
- Francia
- Tipo de pieza
- OE / OEM
Descripción
PEUGEOT, fundada en 1810 y con una sólida trayectoria en la industria automotriz francesa, se ha distinguido por su innovación y calidad en la fabricación de vehículos y componentes. Con más de dos siglos de experiencia, esta marca ha evolucionado desde la producción de herramientas hasta convertirse en un referente global en el diseño de automóviles y piezas originales. Su compromiso con la ingeniería avanzada y la durabilidad se refleja en cada elemento que produce, garantizando un rendimiento óptimo y fiabilidad a largo plazo. La reputación de PEUGEOT se basa en la combinación de tradición y tecnología, lo que la posiciona como un fabricante líder en el mercado europeo y mundial.
El componente identificado con el código 1103C9 corresponde a un radiador de aceite ubicado debajo del filtro, cuya función principal es disipar el calor generado por el lubricante del motor. Este sistema contribuye a mantener la temperatura adecuada del aceite, evitando el sobrecalentamiento y asegurando una lubricación eficiente de las piezas móviles del motor. Su construcción está diseñada para soportar las condiciones extremas del entorno operativo, facilitando la transferencia térmica mediante un diseño compacto y resistente. Al ser una pieza original de PEUGEOT, cumple con los estándares específicos de calidad y compatibilidad para los vehículos de la marca, garantizando un ajuste preciso y un desempeño confiable dentro del circuito de refrigeración del motor.
Recambio originales (número ОЕM) para 1103C9 PEUGEOT
Equivalencias y repuestos compatibles para 1103C9 PEUGEOT
Consejos para elegir el repuesto adecuado
Puedes verificar la compatibilidad de 1103C9 con el VIN así: encuentra el VIN de 17 caracteres de tu vehículo (en el permiso de circulación, ficha técnica o debajo del capó), introdúcelo en el catálogo oficial del fabricante o en un servicio online de búsqueda de repuestos. El sistema mostrará el número OEM exacto de la pieza compatible con tu versión. Compara ese número con el código del anuncio y asegúrate de que todas las características coincidan.
La pieza original es la que instala la fábrica y garantiza compatibilidad y confiabilidad total. El alternativo lo fabrica otro productor, puede ser más barato, pero calidad y duración varían. Al elegir, considera la importancia de la pieza, uso y presupuesto. Para piezas críticas, mejor original o alternativo confiable.
Las especificaciones técnicas de la pieza Radiador de aceite, bajo de filtro 1103C9 PEUGEOT se encuentran en esta misma página, en la sección “Características” situada más arriba. También puede consultar información más detallada en el sitio web oficial de PEUGEOT o en portales especializados en la búsqueda de recambios para automóviles.
Compatibilidad de 1103C9 PEUGEOT con coches
Citroen
- Citroen BX hatchback (XB) (1982 - 1993)
- Citroen BX familiar (XB) (1983 - 1994)
- Citroen Relay bus (230P) (1994 - 2002)
- Citroen Relay furgoneta (230L) (1994 - 2002)
- Citroen Xantia hatchback (X1) (1993 - 1998)
- Citroen Xantia familiar (X1) (1995 - 1998)
- Citroen Xantia hatchback (X2) (1998 - 2003)
- Citroen Xsara hatchback (N1) (1997 - 2005)
- Citroen Xsara familiar (N2) (1997 - 2005)
- Citroen Xsara coupé (N0) (1998 - 2005)
- Citroen ZX hatchback (N2) (1991 - 1997)
- Citroen ZX familiar (N2) (1993 - 1998)
- Citroen Jumpy I bus (U6U) (1994 - 2006)
Peugeot
- Peugeot 306 hatchback (7A) (1993 - 2001)
- Peugeot 306 sedán (7B) (1994 - 2001)
- Peugeot 306 familiar (7E) (1997 - 2002)
- Peugeot 405 I sedán (15B) (1987 - 1992)
- Peugeot 405 I familiar (15E) (1988 - 1992)
- Peugeot 405 II sedán (4B) (1992 - 1995)
- Peugeot 405 II familiar (4E) (1992 - 1996)
- Peugeot 406 sedán (8B) (1995 - 2004)
- Peugeot 406 familiar (8E, F) (1996 - 2004)
- Peugeot Expert monovolumen (224) (1996 - 2006)
- Peugeot Expert furgoneta (222) (1996 - 2006)
- Peugeot Expert plataforma a bordo (223) (1996 - 2006)
Sobre nosotros
40 millones recambios para coches
Catálogo profesional propio
Información independiente
y fiableTrabajamos
en toda Europa desde 2011Un asistente fiable en el proceso de reparación y mantenimiento adecuado.
Autoparts Wiki: una plataforma abierta para conocer piezas de automóvil.
Autoparts Wiki es un proyecto informativo creado para facilitar el acceso a datos técnicos sobre repuestos de automóviles y su compatibilidad. Nuestro objetivo es ayudar a propietarios de vehículos, mecánicos y especialistas del sector a ahorrar tiempo y tomar decisiones basadas en información fiable y contrastada.
La base del proyecto es un catálogo experto, desarrollado con el apoyo tecnológico de Autoparts y con datos procedentes de fabricantes, fuentes abiertas y la comunidad de expertos. Contiene información sobre decenas de millones de referencias: números originales, equivalencias, características técnicas, compatibilidad, opiniones y más.
El proyecto cuenta con el apoyo de Autoparts, pero mantiene un enfoque informativo e independiente, promoviendo la transparencia y el acceso libre a los datos sobre repuestos en toda Europa.
